Cunha de bloqueio para os titulares de ferramentas VDI (DIN 69880)

Design tandardizado: totalmente compatível com os padrões VDI, compatíveis com as principais torres centrais da marca Turning Turning

Mecanismo de travamento duplo: combina travamento mecânico e hidráulico para força de aperto superior

Alteração rápida da ferramenta: o design especial de câmera permite a substituição do suporte de ferramenta de segundo nível


Detalhes do produto


Descrição do produto

O pino de travamento do suporte da ferramenta VDI é um componente crítico de travamento projetado especificamente para os sistemas de ferramentas padrão do VDI (Verein Deutscher Ingenieure). Ele fornece fixação rápida e confiável para os titulares de ferramentas sobre as torres centrais de girar. Fabricado com engenharia de precisão, garante estabilidade e segurança, mesmo sob rotação de alta velocidade e condições de corte pesadas.

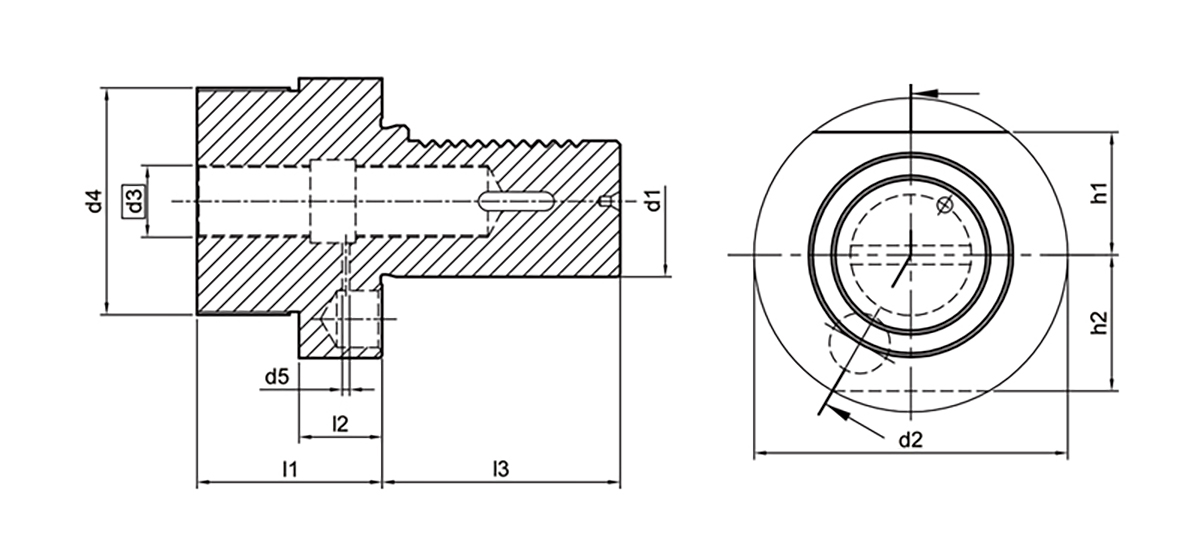
Esquema do produto

Cunha de bloqueio para os titulares de ferramentas VDI (DIN 69880)

Parâmetro do produto

Cunha de bloqueio para os titulares de ferramentas VDI (DIN 69880)

Vantagens do produto

Estabilidade extrema: Suporta torque até 15.000N · m para operações de corte pesado seguro

Precisão ultra-alta: Repita a precisão do posicionamento ≤0,005mm garante a consistência da usinagem

Vida de serviço longa: mais de 500.000 ciclos a vida útil reduz significativamente os custos de manutenção


Cunha de bloqueio para os titulares de ferramentas VDI (DIN 69880)


Garantia de segurança: Proteção de sobrecarga incorporada impede a liberação acidental

Conectividade inteligente: Suporta a interface de dados da indústria 4.0 para gerenciamento inteligente


Cunha de bloqueio para os titulares de ferramentas VDI (DIN 69880)

Inspeção de qualidade

A Jiehe Machinery possui uma fábrica de produção de ferramentas líderes e um centro de inspeção e teste na China, com a classificação dos recursos de fabricação entre os top. Nosso equipamento principal de produção e teste inclui Grob, Takisawa, Doosan, Haimer, Kelch, Zoller, Mitutoyo, etc., e também possuímos toda a gama de detentores de ferramentas padrão e medidores de ferramentas do Diebold alemão. O uso desses equipamentos garante ainda a superioridade de nossa eficiência de produção e qualidade do produto.

Temos uma linha de produção inteligente, que garante a estabilidade da qualidade do produto e melhora bastante a eficiência da produção.


Cunha de bloqueio para os titulares de ferramentas VDI (DIN 69880)

Cunha de bloqueio para os titulares de ferramentas VDI (DIN 69880)


Fotografias de produtos no workshop

Nosso workshop mantém um inventário robusto de produtos semi-acabados, garantindo um suprimento constante e nos permitindo cumprir prazos apertados com velocidade e eficiência. Com processos de produção simplificados e uma cadeia de suprimentos bem organizada, garantimos tempos rápidos de resposta sem comprometer a qualidade. Nossa equipe experiente e instalações de última geração nos permitem responder rapidamente às demandas dos clientes, oferecendo soluções flexíveis e entrega rápida para manter suas operações funcionando sem problemas.


Cunha de bloqueio para os titulares de ferramentas VDI (DIN 69880)


Cunha de bloqueio para os titulares de ferramentas VDI (DIN 69880)


Exibição de fábrica

A Jining Jiehe Machinery Co., Ltd., criada em 2000, é uma empresa nacional de alta tecnologia e uma empresa inovadora e orientada para a tecnologia em nível provincial. Especializada em acessórios da CNC Machine Tool, a empresa oferece mais de 1.000 variedades de produtos, com 60% dos produtos exportados. Com mais de 200 máquinas CNC e uma equipe de mais de 100 funcionários, Jiehe ganhou mais de 30 patentes nacionais e é reconhecida por suas conhecidas marcas comerciais como CNCJiehe, Sun Moon Lake e Goose. A empresa participa regularmente de exposições internacionais em Pequim, Xangai, EUA, Alemanha, Itália e Tóquio, construindo uma forte presença no mercado global. Ao realizar as principais empresas da Alemanha e do Japão, Jiehe alcançou um rápido desenvolvimento e estabeleceu uma produção abrangente e base de P&D com subsidiárias em Jining, Shandong, Suzhou e além.


Cunha de bloqueio para os titulares de ferramentas VDI (DIN 69880)

Cunha de bloqueio para os titulares de ferramentas VDI (DIN 69880)

Cunha de bloqueio para os titulares de ferramentas VDI (DIN 69880)

Cunha de bloqueio para os titulares de ferramentas VDI (DIN 69880)

Cunha de bloqueio para os titulares de ferramentas VDI (DIN 69880)

Deixe suas mensagens

Produtos Relacionados

x

Produtos populares

x